尊龙凯时

英格索兰空压机应用计划
其他 英格索兰空压机应用计划
英格索兰空压机应用计划

一、空压机事情原理简述

 

某大型金属制品厂有上海英格索兰公司生产的单级压缩螺杆式空气压缩机(以下简称空压机)4 台,,,,因产品转型,,,,用宇量镌汰,,,,经由现场视察和测试,,,,以为保存较量大的节能空间,,,,遂举行节能刷新 。。该空压机事情原理是由一对相互平行啮合的阴阳转子 ( 或称螺杆 ) 在气缸内转动 , 使转子齿槽之间的空气一直地爆发周期性的容积转变 , 空气则沿着转子轴线由吸入侧运送至输出侧 , 实现螺杆式空压机的吸气、压缩和排气的全历程 。。??昭够慕诤统銎诨治挥诳翘宓牧酵 , 阴转子的槽与阳转子啮被主电机驱动而旋转 。。

原空压机的主电机功率为 75kW 两台,,,,90kW两台,,,,星 - 三角减压起动后全压运行,,,,为典范的空载启动,,,,全速运行 。。原系统工况保存如下的几个典范问题 :

1、主电机时常??赵鼗蚯嵩芈僭诵 , 属非经济运行 , 电能铺张严重 。。

2、主电机虽然星 - 角减压起动,,,,但起动时的电流仍然很大 , 会影响电网的稳固及同供电支线上它用电装备的运行清静 。。

3、主电机 工频运 行时,,,,空压机噪音大 。。

二、变频刷新要求

凭证原工况保存的问题并连系生产工艺要求 , 空压机变频刷新后系统应知足以下要求 :

1、变频调速刷新后应坚持储气罐出口压力稳固 , 压力波动规模不可凌驾± 0.02Mpa 。。

2、系统应具有变频和工频两套控制回路,,,,以包管变频回路故障时能迅速切换到工频 。。

3、系统具有开环和闭环两套控制回路,,,,压力闭环 PID 调理由变频器自身完成 。。

4、一台变频器能够控制两台空压机组 , 可用转换开关切换 。。

5、凭证空压机的工况要求 , 系统应包管电念头具有恒转矩运行特征 。。

6、现场的刷新要知足 EMC 要求,,,,不可造成自身滋扰或滋扰其他装备 。。

7、刷新后电机绕组温度和电机的噪音不凌驾电机允许的规模 。。

三、变频器的选型

凭证上述原则,,,,厂家经由多方调研、较量 , 最后选择尊龙凯时电气MV300G 系列通用型变频器 , 使该系统能够知足上述工况要求 。。

1、MV300G 为电流矢量型变频器,,,,低频力矩大,,,,过载能力强,,,,在 10Hz 以上 1.5 倍的额定负载可事情 2min 以上 。。

2、MV300G 75kW 以上标配直流电抗器,,,,可有用降低输入侧谐波,,,,镌汰滋扰 。。

3、MV300G 可接受的输入电压规模波动大,,,,从交流 324 - 520V 都可以正常事情

4、客户考察了变频器的主要要害器件,,,,如整流桥,,,,逆变模??椋,,,电容,,,,主芯片等,,,,所有接纳天下着名品牌,,,,是产品可靠性的基本包管 。。

5、思量到以后整个工厂自动化的升级,,,,要求变频器能够内置 PROFIBUS-DP 总线和 CANOPEN 总线 。。

6、出于维护和售后的思量,,,,客户要求变频器内购内置 90kW 和 75kW 两套电机参数

为此,,,,客户选择了 MV300G-4T90 的变频器两台 。。

四、刷新计划原理

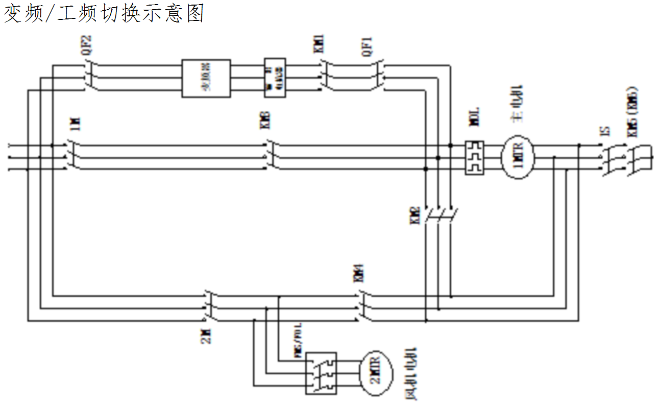
变频器接线示意图

由变频器、压力变送器、调理仪、电机、螺旋转子组成压力闭环控制系统自动调理电机转速 , 使储气罐内空气压力稳固在设定规模内 , 举行恒压控制 。。系统组成如下图所示 。。

image.png

反响压力与设定压力举行较量运算,,,,实时控制变频器的输出频率,从而调理电机转速,使储气罐内空气压力稳固在设定压力上 。。

image.png

图中QF1、QF2是空气开关,起隔离作用,同时QF2也是变频柜的电源开关;KM1、KM3、和KM2、KM4是两对机械联锁接触器,起隔离作用 。。变频时,KM1、KM2同时吸合,KM3、KM4同时断开;工频时KM3、KM4同时吸合,KM1、KM2同时断开 。。变频运行程序:将QF1、QF2合上,由控制回路将KM3、KM4断开,KM1、KM2吸合,然后起动系统变频运行;工频运行程序:将QF1、QF2断开,由控制回路将KM3、KM4吸合,KM1、KM2断开,恢回复来工频运行方法 。。输入电抗器的作用是抑制变频器对其它控制电气装备的滋扰,输出电抗器的作用是改善变频器输出波形,镌汰电机变频运行时的噪声,减小电机变频运行时发热 。。其中1M为原工频主回路接触器,2M为原工频主回路及风机回路接触器,1S为原工频回路接触器(1M、2M、1S三者组成原工频星角起动主回路),KM5、KM6划分为1#和2#机组隔离接触器 。。

五、系统调试

调试事情分成两部分:

1、变频器驱动电机调试,,,,包管变频器驱动电性能正常加速,,,,减速,,,,恒速运行,,,,变频器电流稳固无震荡,,,,电机事情正常 。。此时需要视察空压机的压力上升是否稳固,压力变送器显示是否正常,装备;;欠裾5 。。

变频器参数设定

功效码

名称

设定

意义

 

P02.00

电机与模式选择

2

异步电机,,,,V/F

 

P02.02

控制方法

1

端子控制

 

P02.04

主给定频率源

5

历程闭环PID

 

P09.01

X2端子功效

22

故障复位输入

 

P12.01

节能运行

1

节能模式翻开

 

P14.00

PID给定通道

2

AI2

 

P14.01

PID反响通道

0

AI1

 

2、辖档酮动调试 。。

在完成变频器驱动电机调解后,举行辖档酮动调试 。。调试的主要办法:

① 将变频器接入系统 。。

② 举行工频旁路的运行 。。

③ 举行变频回路的运行,其中包括开环与闭环控制两部分调试:

主要依据变频器频率上升与下降的速率和空压机压力的升降相匹配,不要爆发压力振荡,还要注重视察机械共振点,将共振点周围的频率跳已往,,,,以及;;刺驴茨芊袼乘烨谢坏焦て底刺,,,这个主要是验证系统的接线情形 。。

六、空压机变频刷新后的效益

1、节约能源

    变频器控制压缩机与古板控制的压缩机较量,能源节约是有现实意义的,,,,凭证空宇量需求来供应的压缩机工况是较为经济的运行状态 。。下表是主机为75kw的空压机刷新前后电机的测试参数表:

 

电流(A)

电压(V)

频率(Hz)

现实功率(KW)

节电率(%)

刷新前

122

380

50

65.3

0

刷新后

110

221

29

38.1

41.9

    从上表可证实,节电效果十明确显 。。若是空压机每年按300天事情日盘算,则每年可节约电能19.58万度 。。

2、运行本钱降低

    古板压缩机的运行本钱由三项组成:初始采购本钱、维护本钱和能源本钱 。。其中能源本钱约莫占压缩机运行本钱的77% 。。通过能源本钱降低41.9%,再加上变频起动后对装备的攻击镌汰,维护和维修量也追随降低,以是运行本钱将大大降低 。。

3、提高压力控制精度

    变频控制系统具有准确的压力控制能力 。。使压缩机的空气压力输出与用户空气系统所需的宇量相匹配 。。变频控制压缩机的输出宇量随着电机转速的改变而改变 。。由于变频控制电机速率的精度提高,以是它可以使管网的系统压力转变坚持在3pisg转变规模,也就是0.2bar规模内,有用地提高了工况的质量 。。

4、延伸压缩机的使用寿命

    变频器从0Hz起动压缩机,它的起动加速时间可以调解,从而镌汰起动时对压缩机的电器部件和机械部件所造成的攻击,增强系统的可靠性,使压缩机的使用寿命延伸 。。别的,变频控制能够镌汰机组起动时电流波动,这一波动电流会影响电网和其它装备的用电,变频器能够有用的将起动电流的峰值镌汰到较低水平 。。

5、降低了空压机的噪音

    凭证压缩机的工况要求,变频调速刷新后,电机运转速率显着减慢,因此有用地降了空压机运行时的噪音 。。现场测定批注,噪音与原系统较量下降约5分贝 。。

【网站地图】【sitemap】